- ✓ Garanti for kvalitet | Stort utvalg av tilhengere
- Logg inn eller Registrere
- +47 91 90 65 90
Fant ingen resultater for søket ditt.
- Varehengere
- Båthengere
- Bilhengere
- Skaphengere
- Spesialhengere
- Mannskapsvogner
- iCamper
- Portable toaletter
- Tilbehør
- Reservedeler
- Forhandler
- Verksted
Trenger du hjelp? Kontakt oss
Privat: 91901750 Bedrift: 91906590
post@itilhenger.no
Vognen din er tom
- Hjem
- Tilhengere
- RO900 RO900









- Beskrivelse
- Tilbehør
- Reservedeler
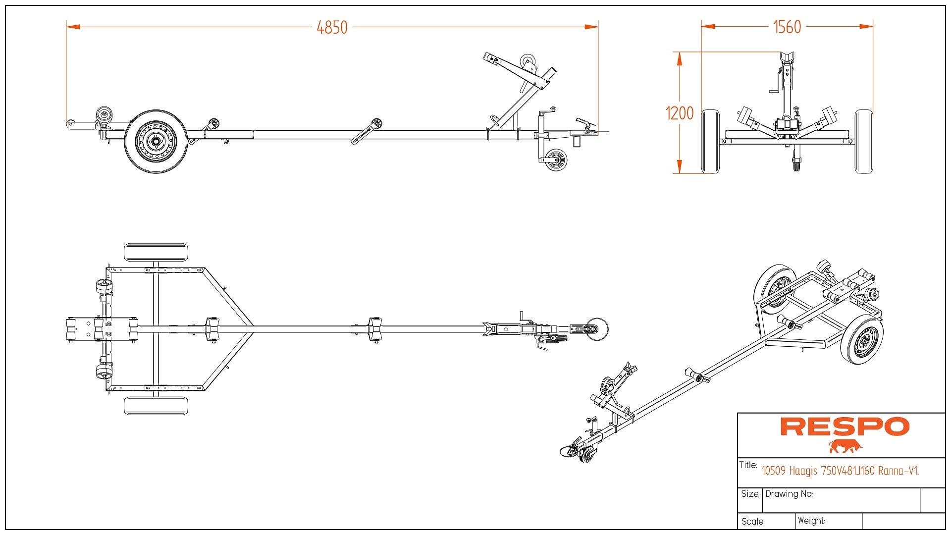
(900V481J160) Solid varmgalvanisert og helsveiset stålramme. Kjølruller og justerbare sidestøtter hjelper båten til å ligge stødig og trygt på hengeren. Opplagshengere har ikke fjæring, skjermer eller lys og kan ikke kjøres på offentlig vei.
Detaljer:
Standardutstyr:
Detaljer:
- Passer for båter opp til:4.9 m
- Hengermål:4.85x1.60 m
- Type aksling:Udempet
- Ramme:Varmgalvarnisert og sveiset ramme
- Totalvekt:900 kg
- Egenvekt:130 kg
- Nyttelast:770 kg
- Dekk:155R13
Standardutstyr:
- Nesehjul + holder, solid hjul
- Sterke surrefester
- Justerbart vinsjtårn (høyde og lengderetning)
- Vinsj 900kg, med belte
- Sidestøtter, enkle å justere
- Vugge med støttehjul
- 5 kjølruller (2 flyttbare)
- Balanserte hjul med M+S dekk
- Vanttette nav
Annet tilbehør
Dekk og reservehjulsholders
Dekk m/alufelg 155R13
M+S, 4x100mm ALU
Deler til båthengere
Surrefeste - flyttbart
Flyttbart surrefeste for båthengere.
Nesehjul
Nesehjul 150kg m\brems
Nesehjul med bremsefunksjon. Når brems er koblet inn vil hengeren være mer stabil på ujevn grunn og i sterk vind.
150kg - ø48mm - hjul 200x50mm
Vinsjet og spennbånds
Deler til båthengere
Nese/Baugstøtte, Domar Polyuretan
B=75mm, hull 13mm
Kj›lrull polyuretan 190X95 �22
190X95 Ø22
Kj›lrull holder 210X120
Kjølrull holder 210X120
Hjul og karosseri
Dekk m/felg 155R13
M+S, 4x100mm, 500kg, 84N, Ø580mm
Kulekobling, påløpsbrems og deler
Nesehjul og støtteben
Brakett for nesehjul �48mm
Brakett for nesehjul/støtteben Ø48mm
Nesehjul 150kg gummi
O=48mm, hjul 200x50mm, 150kg
Vinsjer og tilbehør
Vinsj 800L7, b†nd 50mm, 7,5m
For båter med vekt opp til 950kg inkl. motor og utstyr